Current 3920 Series is a hot shift PTO, used in the Ford 6-speed pick-up F250 & F600 (2017-2019) / F650 – F750 vehicles, compatible with the 6R140 transmissions.
The old 3900 Series PTO was mounted on Ford 5R110 Transmissions.
Features and benefits:
- Deep gear tooth carburization for longer gear life.
- Two mounting positions for SAE A gear pumps & 60 x 60 flange gear pumps mounting
- Industry leading Garlock gasket material provides better tear resistance and easier installation, with Viton o-ring material & shaft seals to prevent leaks.
- Clutch pack material is designed to provide smooth engagement and long life.
- Quiet operational noise levels for an improved operator experience.
Competitive with:
- Chelsea 247F
- Chelsea 249F
- Muncie FR63
- Muncie FR64
- Muncie FR66
- Muncie FR67
- Muncie FR6Q
Torque ratings: up to 200 lb. ft.
Typical Applications: Dump Trucks and Trailers, Walking Floor, Low Boy, Vacuum Pumps, and more…..
CAUTION
TO PREVENT POSSIBLE INJURY:
- DO NOT go underneath the vehicle with the engine running.
- DO NOT attempt to work on an installed Power Take-Off with the engine running.
- DO NOT operate the controls of the Power Take-Off or other driven equipment from underneath the vehicle with the engine running.
- DO NOT operate the controls of the Power Take-Off or other driven equipment in any position that could result in getting caught in the moving machinery.
Make sure to block any moving or raised device that may injure a person working on or under the truck. A lever or its linkage may be accidentally moved causing movement of the device which could cause injury to a person near the device.
IMPORTANT
Because most of our Bezares Power Take–Offs and P.T.O. drive lines are sold through distributors, the product applications and the resulting degree of exposure to danger of the operators are beyond the knowledge and controls of BEZARES.
Therefore, the proper installation of the P.T.O. and its associated equipment, and the decisions of whether to install guards and/or warning signs shall be the responsibility of the designers or installers.
Since it is our major objective to show you how to get additional and more profitable miles from truck, tractor and trailer components, we want to provide you with information on the installation of 3920, and 3900 Series.
We all realize that an inadequate transmission will overwork any Power Take–Off in a very short period of time. In addition, a mismatched transmission/P.T.O. combination can result in unsatisfactory performance of the equipment right from the start.
Before you order new trucks be sure that you’re getting the right transmission/P.T.O. combination. It is of vital importance for efficient performance to have adequate power.
To help you select the proper type, size and design of P.T.O. it is advisable to discuss your specific requirements with a Bezares P.T.O. specialist. They know their products and Power Take–Offs. They can inform you about everything you need to know about power, at the right time, before you specify components.
Here are some of the questions that are relevant to the Proper Selections of a Transmission mounted Power Take–Offs.
- What is the make and model of your transmission?
- Which P.T.O. opening will be used?
- What accessory is to be driven?
- How much horsepower is required to drive the accessory?
- What is the required rotation of the P.T.O.?
- What is the required P.T.O. output shaft speed as a percent of engine speed?.
- What is the required method of shifting the P.T.O., mechanical or pneumatic?
Once all of the answer to these questions have been determined, a transmission mounted P.T.O. can be selected to meet the horsepower, speed and rotation that you require.
Check out our PTO Selection form at bezares.com/pto-selection-tool/
Having made the selection of a P.T.O., you are ready to start the installation.
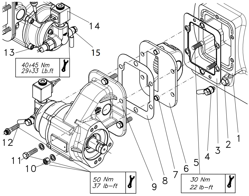
3920 & 3900 Series

- Drain the oil from the transmission, clean the PTO aperture cover plate and surrounding area to prevent dirt from entering.
- Remove the PTO cover and clean the sealing surface and gasket (3). Do not discard the gasket, it will be used during the PTO installation on the transmission.
- Remove the pipe plug (2) from the transmission pressure port and install engagement
kit hose & fitting (4) into the port. Be careful not to cross thread fitting.
(See next section for complete lubrication kit instructions). - Install the 2 studs into the transmission as shown below. Place the Ford factory gasket
between the PTO opening and the adapter. Install the geared adapter on to the
transmission PTO mounting face. Next install gasket (8) over the studs. - Install the PTO (9) and attach the nuts (10) with washers. Next install the hex cap screw (11) and the 12 point cap screw (12) in the remaining holes. Tighten the nuts and the cap screws to specifications shown below.
- Install the other end of hose & fitting (15) into PTO rear cover. Install pressure switch (13) and electric solenoid valve (14) in accordance with the drawing below.
step one

Locate the 2020 Ford wires bundled together at the Passenger Side located behind the kick panel at the passenger’s feet.
step two

Remove the bundled wires from the two-sided connector (female pins)
step three

Strip the selected wire ends and install butt connectors.
Bezares to Ford (6.7 diesel) colored wiring
| => | Green- CE914-(PTO RPM) | Pin 9 |
| => | White/Brown LE434-(DIESEL PTO VREF) | Pin 10 |
| => | Gray/Violet- RE327-(DIESEL PTO RTN) | Pin 6 |
| => | Blue/White- CE326-(PTO RLY) | Pin 4 |
| => | Yellow/Green- CE912 (STATIONARY) | Pin 7 |
| => | OR Blue/Orange- CE933 (MOBILE) | Pin 11 | |
| => | 12V switched for customer supplied PTO indicator light. | |
| => | Pressure switch ground loop for customer supplied PTO indicator light. | |
| => | Auxiliary switch # 1 (yellow) – Tag marked (Upfit Rly 1) Located under driver’s side dash | |
| => | BATTERY GROUND |
Split shaft mode • Diesel

SEIC – PTO Enable / Disable conditions
| Vehicle Conditions to Enable SEIC (all are required) | Vehicle Conditions that Disable SEIC (any one required) | SEIC | Split-Shaft (Diesel Only) | Mobile Mode |
|---|---|---|---|---|
| Parking brake applied | Parking brake disengaged | Yes | Yes | No |
| Foot off service brake | Service brake depressed | Yes | Yes | No |
| Vehicle in Park | Vehicle taken out of Park | Yes | Yes | No |
| Foot off accelerator pedal | Accelerator pedal depressed | Yes | Yes | No |
| Vehicle speed is 0 MPH (stationary) | Vehicle speed is not 0 MPH | Yes | Yes | No |
| Engine at a stable base idle speed | — | Yes | Yes | No |
| Transmission oil temp above 20ºF | Transmission oil temperature exceeds 240ºF (Diesel) or 250ºF (Gas) | Yes | Yes | Yes |
| Engine coolant termperature at least 20ºF (6.7L Diesel) | Engine coolant temperature exceeds 230ºF | Yes | Yes | Yes |
| Engine coolant termperature at least 20ºF (6.2L or 7.3L Gas) | Engine coolant temperature exceeds 230ºF | Yes | N/A | Yes |
| — | Catalist temperature limit | Yes | Yes | Yes |
Bezares to Ford (gas) colored wiring – 2018/2022
6R140 – 6.2L-7.3L – GAS – F250-600
| => | Green- CE914-(PTO RPM) | Pin 9 |
| => | Yellow/Green- LE424-(PTO VREF) | Pin 18 |
| => | Yellow/Violet- RE407-(SIGNAL RETURN C) | Pin 16 |
| => | Blue/White- CE326-(PTO RLY) | Pin 4 |
| => | Yellow/Green- CE912 (STATIONARY) | Pin 7 |
| => | OR Blue/Orange- CE933 (MOBILE) | Pin 11 | |
| => | 12V switched for customer supplied PTO indicator light. | |
| => | Pressure switch ground loop for customer supplied PTO indicator light. | |
| => | Auxiliary switch # 1 (yellow) – Tag marked (Upfit Rly 1) Located under driver’s side dash | |
| => | BATTERY GROUND |
| Note! When using the Auxiliary Upfitter Switch # 1, the pressure switch port may be plugged. This will eliminate a PTO indicator light. If a true PTO indicator light is desired the upfitter can install their own indicator light. This requires the Pressure Switch to be installed in PTO rear cover. Connect the Pressure Switch ground loop (purple) wire and the 12 V switched (red) wire to customer supplied PTO indicator light |
Auxiliary pto switch # 1- 25amp fused

Connect the brown wire to the upfitter switch Green/Brown wire. The relay box is
located on the the passenger side of the firewall.
Six upfitter switch blunt-cuts (located underhood below upfitter relay box)
| Upfitter Switch | Fuse # | Wire Color | Circuit | Rating | Configuration |
|---|---|---|---|---|---|
| AUX 1 | F10 | BN/GN | CB117 | 25A | IGNITION HOT ONLY |
| AUX 2 | F9 | VT/OG | CB114 | 25A | IGNITION HOT ONLY |
| AUX 3 | F8 | BU/BN | CB116 | 25A | IGNITION HOT ONLY |
| AUX 4 | F7 | GY/BN | CB113 | 25A | IGNITION HOT ONLY |
| AUX 5 | F1 | BN/BU | CB115 | 40A | IGNITION HOT OR HOT-AT-ALL-TIMES |
| AUX 6 | F2 | GY/OG | CB118 | 40A | IGNITION HOT OR HOT-AT-ALL-TIMES |
Bezares to Ford SEIC Wiring 2018/2022 6R140 (6.7 diesel) F650-750
Remove the bundled wires from the two-sided connector (female pins)-Note! Colored wires are on male connector side-match wires on female side to PTO wire harness color code. Strip the selected wire ends and install butt connectors with heat shrink tubing.
step one

Locate the 2018-2022 Ford Diesel up-fitter wires bundled together next to the steering
shaft under the hood on the driver’s side.

Bezares to Ford (6.7 diesel) colored wiring
| => | Green- CE914-(PTO RPM) | Pin 7 | |
| => | White/Brown LE434-(DIESEL PTO REF) | Pin 13 | |
| => | Gray/Red- RE327-(DIESEL PTO RTN) | Pin 3 | |
| => | Blue/White- CE326-(PTO RLY) | Pin 11 | |
| => | Yellow/Green- CE912-REQ PTO 1 (STATIONARY MODE) | Pin 4 | |
| => | OR Blue/Orange- CE933-REQ PTO 2 (MOBILE MODE) | Pin 5 | ||
| => | 12V switched for customer supplied PTO indicator light. | ||
| => | Pressure switch ground loop for customer supplied indicator light. | ||
| => | Auxiliary switch # 1 (yellow) – Tag marked (Upfit Rly 1) | ||
| => | BATTERY GROUND |
Split shaft mode • Diesel

Bezares to Ford SEIC Circuit Wiring – 2020/2021 – 6R140
6.2-7.3L GAS – F650-F750
| => | Green/Orange- CE914-(PTO RPM) | Pin 7 | |
| => | Yellow/Gray LE424-(PTO VREF) | Pin 13 | |
| => | Yellow/Violet- RE407-(PTO GAS SIGNAL RETURN) | Pin 3 | |
| => | Blue/Red- CE326-(PTO RELAY) | Pin 11 | |
| => | Yellow/Green- CE912-PTO REQ 1 (STATIONARY MODE) | Pin 4 | |
| => | OR Blue/Orange- CE933- PTO REQ 2 (MOBILE MODE) | Pin 5 | ||
| => | 12V hot for customer installed indicator light. | ||
| => | Pressure switch ground loop for customer supplied indicator light. | ||
| => | Auxiliary switch # 1 (yellow) – Tag marked (Upfit Relay 1) | ||
| => | BATTERY GROUND |
6.7L Diesel, 6.2 Gasoline & 6.8 Gasoline SEIC / BCP
Enable / Disable conditions
| Vehicle Conditions to Enable SEIC (all are required) | Vehicle Conditions that Disable SEIC (any one required) SEE NOTE 1 | SEIC | Split-Shaft (Diesel Only) | Mobile Mode |
|---|---|---|---|---|
| Parking brake applied | Parking brake disengaged | Yes | Yes | No |
| Foot off service brake | Service brake depressed | Yes | Yes (SEE NOTE 2) | No |
| Vehicle in Park | Vehicle taken out of Park | Yes | Yes (SEE NOTE 2) | No |
| Foot off accelerator pedal | Accelerator pedal depressed | Yes | Yes | No |
| Vehicle speed is 0 MPH (stationary) | Vehicle speed is not 0 MPH | Yes | Yes | No |
| Engine at a stable base idle speed | — | Yes | Yes | No |
| Transmission oil temp above 20ºF | Transmission oil temperature exceeds 240ºF (Diesel) or 250ºF (Gas) | Yes | Yes | Yes |
| Engine coolant termperature at least 20ºF (6.7L Diesel) | Engine coolant temperature exceeds 230ºF | Yes | Yes | Yes |
| Engine coolant termperature at least 20ºF (6.2L or 7.3L Gas) | Engine coolant temperature exceeds 230ºF | Yes | N/A | Yes |
| — | Catalist temperature limit | Yes | Yes | Yes |
NOTE 1: A “change-of-state” at the “PTO1” and/or “PTO2” circuit(s) is required to re-invoke SEIC. When a disabler is seen by the PCM the “PTOIL” circuit changes from “ground source” to “open circuit” SEIC drops out, and the engine speed returns to base idle. To re-initiate SEIC the operator must turn off the after market PTO switch (removing command voltage to the “PTO 1 / PTO 2” circuit) and turn it back on again.
NOTE 2: See Split Shaft Mode description under Operating Modes.

- Drain the oil from the transmission, clean the PTO aperture cover plate and surrounding area to prevent dirt from entering.
- Remove the PTO cover and clean the sealing surface. Mount the guides (6) and the stud (11) on the transmission and install proper gasket (5).
- Mount four of the Allen head cap screws with washers in each corner of the PTO mounting flange (4) and install it to the transmission applying pressure to it.
- Remove the inspection plug (10) and check the backlash by rocking the input drive gear back and forth. The backlash must be between 0.006 and 0.012” (0.15 and 0.30 mm).
- If the backlash is too loose, remove the PTO and re-install with thinner gasket. If the backlash is too tight, remove PTO and re-install with either a thicker gasket or by adding a second gasket.
- Install the remaining washers (2) and Allen head cap screws (1&3) and torque to proper specification. Install nuts (9) on studs and tighten to proper torque shown below.
- Install a gasket (8) between the pump and the PTO. Inspect transmission fluid level and top off with the proper fluid as needed.
- Install the pressure switch (12) and the electric solenoid valve (13) in accordance with the drawing.
Installation Method
- Remove the transmission plug “A”.
- Remove the plastic protection plugs placed on the PTO in “B”, “C” and “D” position.
- Install the adapter (5) in “A” port shown above and the engagement kit in “A” port and “B” port on rear cover.
- Install the lubrication hose (9018699) in “C” and “D” ports on PTO.

Installation Kit P/N
12v – 9058899
24v – 9058999
Need wiring harness and Ford connection schematic to SEIC circuit Use Chelsea
CAUTION
This vehicle is equipped with a Power Take-off.
Shut engine off before working on Power Take-Off or getting below vehicle.
Consult operating instructions before using.
POWER TAKE-OFF OPERATION VEHICLE STATIONARY.
- Mechanical Transmission.
A power take-off is, and should be, operated as an integral part of the main transmission.
Before shifting the power take-off into or our of gear, disengage the clutch and wait for transmission or P.T.O. gears to stop rotating. - Automatic transmission with manual shift P.T.O. (Includes air shift).
On automatic transmissions, the gears in the transmission turn when the transmission is in neutral, therefore, gear clashing will ocurr if the power take-off is shifted into gear at this time.
With converter driven gear:
• Shift transmission lever into any of drive positions. (This will stop the transmission gear from turning).
• Shift power take-off into gear.
Shift transmission into neutral. (This will start transmission gears turning.)
• Shift P.T.O. into gear before starting engine.
This procedure should eliminate gear clash. - Automatic transmission with power shift P.T.O’s
Engage P.T.O. with engine at idle speed. Power shift P.T.O.´s: engine must be at idle when P.T.O. is engaged. See transmission manufacture´s instructions for special procedures.
IMPORTANT
Failures to follow proper shifting or operating sequences will result in premature P.T.O. failure with possible damage to other equipment.
PTO Troubleshooting
| wdt_ID | PROBLEM | REASON | CORRECTIVE ACTION | PREVENTION |
|---|---|---|---|---|
| 1 | PTO is Noisy (whines) | -insufficient mounting backlash | -remount PTO adding gaskets to achieve backlash of .006-.012” | -check and set proper backlash |
| 2 | PTO is Noisy (rattles) | -excessive mounting backlash | -remount PTO removing gaskets to achieve backlash of .006-.012” | -check and set proper backlash |
| 3 | PTO is Noisy (clicks) | -damaged/worn gear tooth | -replace damaged/worn gear | -check and set proper backlash |
| 4 | -overloading PTO | -reduce load | -review application | |
| 5 | Leaking Shaft Seal | -dirt under seal | -replace seal | -preventive maintenance |
| 6 | -damaged seal or cover | -replace seal or cover | -preventive maintenance | |
| 7 | -improperly seated seal | -replace seal | -preventive maintenance | |
| 8 | -worn shaft at seal area | -replace output shaft/seal | -preventive maintenance | |
| 9 | Leaking Output Flange | -torn flange gasket | -replace gasket | -preventive maintenance |
| 10 | -loose flange bolts | -properly torque flange bolts | -preventive maintenance | |
| 11 | -direct mount pump improperly supported | -install pump support brackets | -review application requirements | |
| 12 | Leaking Mounting Face | -torn mounting gasket | -replace mounting gasket | -preventative maintenance |
| 13 | -cracked mounting pad | -replace housing/set backlash | -proper mounting torque | |
| 14 | -broken mounting shim | -replace mounting shim/set backlash | -preventative maintenance | |
| 15 | -improper gaskets/shim used | -replace gaskets/shim | -ensure proper gaskets/shim are used | |
| 16 | Leaking Bearing/Shift | -torn gasket | -replace gasket | -preventive maintenance |
| 17 | COVER | -loose cap screws | -properly torque cap screws | -preventive maintenance |
| 18 | Cracked Housing | -insufficient backlash | -replace housing/set backlash | -check and set proper backlash |
| 19 | -unsupported direct mount pump | -replace housing/attach pump support bracket | -review application | |
| 20 | -over torque condition | -replace housing | -review application | |
| 21 | -foreign object between gears | -replace housing/gears | -preventive maintenance | |
| 22 | -impact with external object | -replace housing | -install protection/avoid impacts | |
| 23 | -shock load/cold relief pressure | -replace housing | -allow oil to warm before loading | |
| 24 | PTO Failure | -broken/damaged parts | -inspect/replace damaged parts | -preventive maintenance |
| 25 | -driveshaft problem | -check phasing, angle, and slip of driveshaft | -preventive maintenance | |
| 26 | -worn/damaged driveshaft components | -repair/replace driveshaft | -preventive maintenance | |
| 27 | PTO Does Not Engage/ Disengage (wire shift) | -worn/damaged shift control | -repair/replace components | -preventive maintenance |
| 28 | -loose/missing linkage/attachments | -adjust/replace components | -preventive maintenance | |
| 29 | -worn/damaged cable | -repair/replace components | -preventive maintenance | |
| 30 | PTO Does Not Engage/ Disengage (air shift) | -lack of air pressure | -ensure pressure exceeds 100psi/governor cut-in | -preventive maintenance |
| 31 | -shifter damaged | -replace shifter | -install protection/avoid impacts | |
| 32 | -shifter piston leaking | -replace shifter seals | -preventive maintenance | |
| 33 | -shifter piston does not move | -check for contaminates in air cylinder | -preventive maintenance | |
| 34 | -contaminated air lines | -clean air systems | -preventive maintenance | |
| 35 | -worn/damaged shift control | -repair/replace components | -preventive maintenance | |
| 36 | PTO Does Not Engage/ Disengage (all) | -shift fork not in shift collar | -check/reinstall shift cover | -preventive maintenance |
| 37 | -internal gears do not mesh | -check for internal debris/damage | -preventive maintenance | |
| 38 | -improper shifting | -adjust vehicle clutch | -review transmission manual |







